
Motors sense cor per a aplicacions mèdiques
Els Motors Coreless (Hollow Cup Motors) fabricats per VSD són sinònims de velocitat ultra alta, baixa inèrcia i sense encobriment, i estan dissenyats i fabricats específicament per a equips mèdics, perfectament adequats als requeriments estrictes de precisió i eficiència en el camp mèdic .
Descripció
Motors sense cor per a aplicacions mèdiques
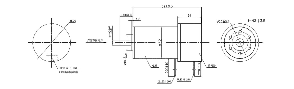
| Imatge del producte | |||||||||
| Model de motor | VEC -2850 | VEC -2855 | VEC -3269 | Vec -2867 dii | |||||
| Voltatge | Gamma operativa | 8.4~14.4 | 22~26 | 8.4~14.4 | 22~26 | 8.4~14.4 | 22~26 | 8.4~14.4 | 22~26 |
| Nominal V |
12 | 24 | 12 | 24 | 12 | 24 | 12 | 24 | |
| Sense càrrega | Velocitat R/min |
8658 | 17650 | 4716 | 11131 | 2566 | 5236 | 1556 | 3180 |
| Curt A |
0.26 | 0.22 | 0.139 | 0.136 | 0.139 | 0.134 | 0.06 | 0.05 | |
| A la màxima eficiència | Velocitat R/min |
7261 | 15536 | 4140 | 10218 | 2146 | 4599 | 1295 | 2781 |
| Corrent A |
1.351 | 1.911 | 0.997 | 1.557 | 0.709 | 1.003 | 0.296 | 0.419 | |
| Parell mn.m |
14.867 | 22.492 | 21.362 | 36.066 | 26.076 | 42.08 | 12.364 | 18.772 | |
| Producció W |
11.305 | 36.593 | 9.26 | 38.525 | 5.86 | 20.265 | 1.676 | 5.468 | |
| L'inici | Parell mn.m |
92.126 | 187.794 | 174.534 | 438.557 | 159.113 | 345.727 | 91.42 | 149.8 |
| Corrent A |
7.022 | 14.043 | 7.147 | 17.411 | 3.618 | 7.238 | 1.463 | 2.923 | |
| Disseny de productes |
|
|
|
|
|||||
| Rendiment del producte |
|
|
|
|
|||||
| Imatge del producte | |||||||||
| Model de motor | VEC -4035 | Vec -1656 Si | VEC -1657 | VEC -2838 | |||||
| Voltatge | Gamma operativa | 12 | 22~32 | 8~14 | 22~32 | 8~14 | 22~32 | 8~16 | 18~26 |
| Nominal V |
12 | 24 | 12 | 24 | 12 | 24 | 12 | 24 | |
| Sense càrrega | Velocitat R/min |
19540 | 39425 | 37256 | 7500 | 15649 | 32062 | 56942 | 92000 |
| Curt A |
0.81 | 0.81 | 0.286 | 0.281 | 0.18 | 0.16 | 0.32 | 0.26 | |
| A la màxima eficiència | Velocitat R/min |
17266 | 36066 | 33133 | 69025 | 12871 | 27817 | 49659 | 82946 |
| Corrent A |
6.15 | 8.697 | 2.298 | 3.249 | 0.834 | 1.179 | 2.22 | 2.38 | |
| Parell mn.m |
38.234 | 56.474 | 7.165 | 10.555 | 4.788 | 7.317 | 4.247 | 5.957 | |
| Producció W |
69.131 | 213.292 | 24.86 | 76.291 | 6.453 | 21.314 | 22.087 | 51.742 | |
| L'inici | Parell mn.m |
328.513 | 662.826 | 64.727 | 130.473 | 36.971 | 55.259 | 33.208 | 60.528 |
| Corrent A |
46.688 | 93.376 | 18.46 | 36.92 | 3.864 | 7.728 | 15.11 | 21.82 | |
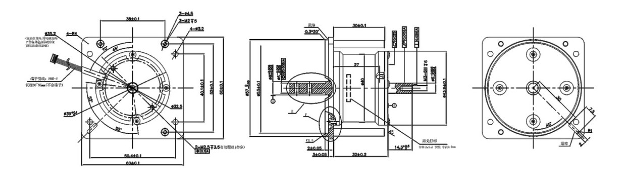
| Disseny de productes |
|
|
|
![]() |
|||||
| Rendiment del producte |
|
|
|
|
|||||
| Imatge del producte | |||||||||
| Model de motor | VEC -0824 | Vec -2242 hi | VEC -2248 | Vec -3260 Si | |||||
| Voltatge | Gamma operativa | 6~12 | 8~14 | 18 | 22~32 | 8.4~14.4 | 22~26 | 8.4~14.4 | 22~26 |
| Nominal V |
6 | 12 | 18 | 24 | 12 | 24 | 12 | 24 | |
| Sense càrrega | Velocitat R/min |
35000 | 71171 | 52379 | 70170 | 34680 | 70263 | 3301 | 6748 |
| Curt A |
0.055 | 0.055 | 0.37 | 0.37 | 0.37 | 0.34 | 0.141 | 0.138 | |
| A la màxima eficiència | Velocitat R/min |
29663 | 63138 | 46083 | 62746 | 29913 | 63147 | 2738 | 5891 |
| Corrent A |
0.306 | 0.432 | 2.708 | 3.127 | 2.321 | 3.283 | 0.685 | 0.969 | |
| Parell mn.m |
0.369 | 0.556 | 7.827 | 9.23 | 6.534 | 9.753 | 19.256 | 29.298 | |
| Producció W |
1.147 | 3.673 | 37.773 | 60.65 | 20.467 | 64.4696 | 5.52 | 18.074 | |
| L'inici | Parell mn.m |
2.421 | 4.922 | 65.112 | 87.236 | 47.529 | 96.296 | 112.833 | 230.655 |
| Corrent A |
1.699 | 3.398 | 19.817 | 26.425 | 14.566 | 29.131 | 3.33 | 6.66 | |
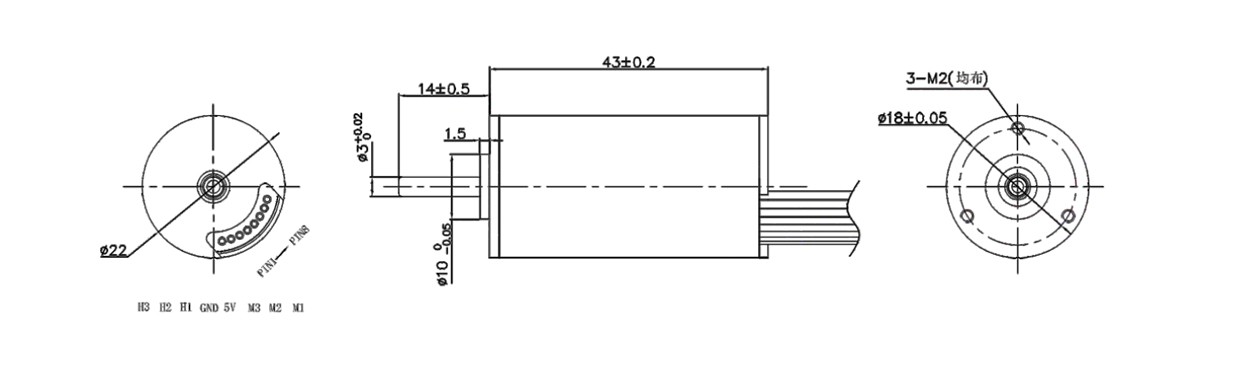
| Disseny de productes |
|
|
|
|
|||||
| Rendiment del producte |
|
|
|
|
|||||
Motor sense cors al camp mèdic
Els Motors Coreless (Hollow Cup Motors) fabricats per VSD són sinònims de velocitat ultra alta, baixa inèrcia i sense encobriment, i estan dissenyats i fabricats específicament per a equips mèdics, perfectament adequats als requeriments estrictes de precisió i eficiència en el camp mèdic .
Actualment, els motors sense cordes de VSD s'utilitzen en una àmplia gamma d'equips mèdics de precisió com ara equips dentals, detectors mèdics, bombes mèdiques i robots quirúrgics mèdics. Aquests dispositius requereixen velocitats d'arrencada, frenada i resposta elevades i els motors sense cordons de VSD no només asseguren velocitats elevades, sinó que també realitzen un control i estabilitat d'alta precisió a través del seu excel·lent rendiment, reduint efectivament la taxa de fallada durant el funcionament.
Els motors sense cordons de VSD es fabriquen de forma estricta d'acord amb els estàndards de la sèrie ISO i IEC mèdica i també donen suport a la personalització de diferents valoracions d'IP per assegurar -se que els motors tinguin una excel·lent resistència a l'aigua i a la pols per satisfer les necessitats especials de fiabilitat i seguretat en entorns mèdics.
Els motors Coreless de VSD admeten una àmplia gamma d'especificacions de tensió, incloent 6V, 12V, 18V, 24V i 36V, i tenen una velocitat màxima de 100, 000 R/min, que proporciona un suport de rendiment extremadament alt per a equips mèdics. A més, VSD pot personalitzar la velocitat, la tensió, el corrent, els forats de muntatge, els terminals i el disseny de plom per complir els requisits específics de diferents dispositius mèdics.
Independentment d'on vinguis, sempre que tinguis la necessitat de motors metges sense cor, VSD us proporcionarà un excel·lent rendiment del producte i solucions eficients i estables, injectant una forta potència al vostre equipament mèdic i ajudarà la innovació i el desenvolupament continu. tecnologia.
Què obtens quan trieu un VSDMotor sense cor
Garantia de qualitat per a motors sense cor
VSD sempre es compromet a proporcionar als clients solucions de motor de confiança de confiança amb una qualitat excel·lent i un servei atent. Tant si es tracta d'equips mèdics com d'altres camps d'alta precisió, VSD us pot aportar una àmplia gamma de garantia de qualitat.
Suport de mostra gratuït
Tant si es tracta dels nostres productes normalitzats com de productes personalitzats, VSD proporciona servei de mostra gratuït. A la primera etapa, hem de cobrar la taxa de mostra corresponent, però després de la cooperació formal, compensarem la taxa de mostra davant l'import de la comanda corresponent, per ajudar els clients a reduir el cost inicial.
Prova de qualitat rigorosa
Tots els motors sense cordes experimenten proves estrictes de qualitat abans de sortir de la fàbrica, incloent -hi: prova de soroll, prova impermeable, prova de vida, prova de xoc, prova d'emmagatzematge, prova de polvorització de sal i una sèrie d'altres proves. Aquestes proves exhaustives asseguren el funcionament estable dels motors en entorns complexos, proporcionant una fiabilitat i durabilitat més elevades per a equips mèdics.
Suport tècnic professional
VSD compta amb un equip de R + D amb experiència per proporcionar als clients consells tècnics professionals i solucions de problemes per assegurar -vos que no teniu cap problema a l'hora d'escollir i utilitzar motors sense cor.
Servei postvenda atent
En termes de productes, proporcionem als clients una garantia de 3 a 12 mesos després de la venda; En termes de serveis, l'equip de comerç exterior de VSD ha acumulat molts anys d'experiència en la indústria del motor, responent a les vostres necessitats de manera puntual i us aporta una experiència postvenda de qualitat.
Experiència àmplia en la indústria sanitària
Els motors sense problemes fabricats per VSD han estat àmpliament utilitzats en equips en l'àmbit mèdic, com ara instruments dentals, provadors mèdics, bombes mèdiques i robots quirúrgics, contribuint realment al desenvolupament innovador de la indústria mèdica.
Fabricant de confiança de motors sense cor
Com a fabricant professional de Coreless Motors, VSD ha establert una imatge de marca de confiança a la indústria en virtut de la seva forta capacitat de producció, innovació tecnològica i excel·lent servei.
Taller de producció fort
La fàbrica de VSD es troba a Dongguan, Guangdong, Xina, que cobreix una superfície total de més de 10, 000 metres quadrats. Som una empresa real i creïble, i donem la benvinguda als clients a visitar -nos en qualsevol moment per experimentar la nostra força de producció i la nostra cultura corporativa.
Desenvolupament tecnològic al capdavant
Invertim prop d'un milió de dòlars a l'any en la investigació i el desenvolupament de motors sense cor i continuem innovant la nostra tecnologia per garantir que els nostres productes puguin satisfer les necessitats del ràpid desenvolupament de la tecnologia mèdica.
Equips automatitzats avançats
La fàbrica VSD està equipada amb una varietat d'equips d'automatització avançats, incloent -hi: màquina de bobinatge automàtic, màquina automàtica d'estator, màquina d'estator automàtica de capçal i màquina de soldadura automàtica. Aquests equips d'alta eficiència proporcionen una forta garantia tècnica per a la producció de motors i milloren encara més la consistència i l'estabilitat dels productes.
Capacitat de producció forta
Tenim més de 40 línies de muntatge equipades amb més de 300 conjunts d'equips automatitzats i més de 500 empleats de primera línia, amb una capacitat de producció diària de fins a 200, 000 unitats o més, cosa que garanteix plenament als nostres clients " requisits de comanda.
Avantatge del preu de l'oferta directa de fàbrica
Com a fabricant directament al client, VSD té un clar avantatge en el preu. Al reduir els enllaços intermedis, proporcionem als nostres clients productes de motor sense cordal sense rendibilitat, ajudant-los a ocupar un avantatge competitiu en el mercat.
Tant si necessiteu un producte normalitzat com una solució personalitzada, VSD té la força i l'experiència per satisfer les vostres necessitats. Com a fabricant amb experiència de Motors Coreless, VSD continuarà esforçant -se per proporcionar productes d'alta qualitat i d'alt rendiment i ser el vostre soci de confiança.
NOTA: Obteniu més informació sobre la força de la fàbrica de micromotors VSD
Enviar la consulta
Potser també t'agrada











































